? 產品中心-軋機 矯直機 平整機 西安艾蒙希科技有限公司

液壓流體系統

當前位置: 首頁 - 產品中心 - 液壓流體系統

設備稀油潤滑站

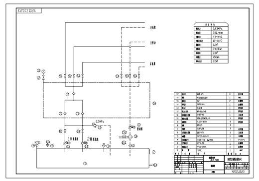
1.    稀油潤滑系統原理圖

 

稀油潤滑.JPG


2.    稀油系統說明


稀油系統服務于卷取機,主軋機減速箱及齒輪軸。


       

     

   


 


上一篇:沒有了 下一篇:普通液壓傳動站
?
韩国情色片